Niestandardowa podkładka kwadratowa
Produkt: Niestandardowa podkładka kwadratowa
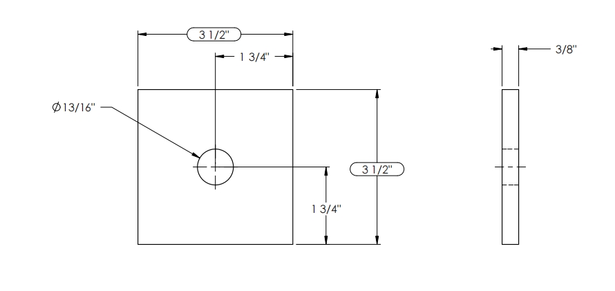
Rozmiar:3-1 / 2×3-1 / 2×3/8
Wykończenie: cynkowanie (żółty, niebieski, kolor płukania),, fosforan i olej, fosforan, cynkowanie ogniowe (HDG), Dacromet, Geomet
Materiał:Stal
Kraj eksportu: USA, Japonia, Australia, Europa i tak dalej
Obsługa dostosowywania klienta
Niestandardowa podkładka kwadratowa
Przegląd
TenNiestandardowa podkładka kwadratowato specjalnie zaprojektowana płaska podkładka zaprojektowana tak, aby spełniała określone wymagania aplikacji, które wykraczają poza zakres standardowych wymiarów i materiałów. W przeciwieństwie do konwencjonalnych podkładek okrągłych,Niestandardowa podkładka kwadratowaZapewnia większe pokrycie powierzchni i stabilność w zespołach śrubowych, zwłaszcza gdy jest używany ze z kwadratowym lub niestandardowym osprzętem. Dopasowana geometria i precyzyjne tolerancje sprawiają, żeNiestandardowa podkładka kwadratowaIdealny do specjalistycznych zastosowań mechanicznych, konstrukcyjnych i przemysłowych.
Zdjęcia


Rysunek produktu
Kluczowe cechy niestandardowej podkładki kwadratowej
Niestandardowa geometria
TenNiestandardowa podkładka kwadratowajest produkowany w kształcie kwadratu, a nie tradycyjnej okrągłej formy. Zapewnia to zwiększoną odporność na obracanie i lepszy rozkład obciążenia, szczególnie w zespołach narażonych na moment obrotowy lub wibracje.Wymiary dopasowane
ZNiestandardowa podkładka kwadratowa, każdy aspekt — od średnicy wewnętrznej po szerokość zewnętrzną i grubość — jest dostosowywany do konkretnego zastosowania. Niezależnie od tego, czy pracujesz z zbyt dużymi, czy nieregularnymi powierzchniami montażowymi, te podkładki zapewniają precyzyjne dopasowanie.Elastyczność materiałowa
TenNiestandardowa podkładka kwadratowamogą być produkowane z szerokiej gamy materiałów, w tym ze stali nierdzewnej, stali węglowej, mosiądzu, aluminium lub związków polimerowych. Ta zdolność adaptacji zapewnia optymalną wydajność w różnych środowiskach, od stref o wysokiej korozji po wysokotemperaturowe warunki przemysłowe.Zwiększona integralność strukturalna
Kwadratowy kształtNiestandardowa podkładka kwadratowapozwala na pokrycie większej powierzchni, zmniejszając ryzyko koncentracji naprężeń i zmęczenia materiału w miejscu styku. Jest szczególnie skuteczny w zastosowaniach związanych z mocowaniem drewno-metal lub kompozytowym.
Zastosowania niestandardowej podkładki kwadratowej
Ciężkie maszyny i urządzenia
TenNiestandardowa podkładka kwadratowajest szeroko stosowany w połączeniach śrubowych o dużej wytrzymałości, w których występują duże obciążenia osiowe lub siły boczne. Zwiększona powierzchnia zapobiega wyciskaniu i deformacji powierzchni.Budownictwo i inżynieria budowlana
W metalowych konstrukcjach, kotwieniu betonu lub połączeniach drewnianychNiestandardowa podkładka kwadratowaZapewnia równomierny rozkład nacisku i poprawia trwałość złącza przy obciążeniach statycznych lub dynamicznych.Komponenty samochodowe i kolejowe
Specjalistyczne zespoły pojazdów i szyn czerpią korzyści zNiestandardowa podkładka kwadratowa, zwłaszcza w przypadku unikalnych kształtów elementów złącznych lub konfiguracji podwozia.Systemy energii odnawialnej
Turbiny wiatrowe, ramy paneli słonecznych i urządzenia hydroelektryczne często wykorzystująNiestandardowa podkładka kwadratowaDo niestandardowych wsporników i systemów kotew, które wymagają stabilności w trudnych warunkach.Niestandardowe maszyny i osprzęt
W systemach automatyki i przyrządach do osadzaniaNiestandardowa podkładka kwadratowaPomaga utrzymać wyrównanie i powtarzalność, zapewniając stałe, nieobrotowe podparcie.
Korzyści z używania niestandardowej podkładki kwadratowej
✅Dostosowane do Twojego projektu
TenNiestandardowa podkładka kwadratowajest zbudowany zgodnie z dokładnymi specyfikacjami, oferując niezrównaną kompatybilność z unikalnymi wymaganiami montażowymi.✅Ulepszona funkcja antyrotacyjna
Dzięki kwadratowej geometriiNiestandardowa podkładka kwadratowajest mniej podatny na wirowanie pod wpływem momentu obrotowego w porównaniu z podkładkami okrągłymi.✅Zwiększona powierzchnia nośna
Z większą powierzchnią niż podkładka okrągła,Niestandardowa podkładka kwadratowaZmniejsza ryzyko ściskania powierzchni lub pękania materiału.✅Wszechstronne opcje materiałowe
W zależności od wymagań środowiskowych i mechanicznychNiestandardowa podkładka kwadratowamogą być wytwarzane przy użyciu stopów odpornych na korozję lub o wysokiej wytrzymałości.✅Zgodność z niestandardowymi standardami
Mimo że wykracza poza standardowe normy,Niestandardowa podkładka kwadratowamogą być wytwarzane tak, aby spełniały specyficzne dla branży tolerancje, powłoki i kryteria kontroli.
Gdy standardowe podkładki są niewystarczające,Niestandardowa podkładka kwadratowaZapewnia dostosowane do potrzeb rozwiązanie, które zwiększa wytrzymałość połączenia, integralność powierzchni i stabilność montażu. Jego kwadratowa konfiguracja, niestandardowe wymiary i wszechstronność materiałów sprawiają, że jest to niezbędny komponent w wymagających zastosowaniach inżynieryjnych. Dla producentów i inżynierów poszukujących precyzji i wydajności wykraczającej poza konwencjonalne podkładki,Niestandardowa podkładka kwadratowato mądry wybór.



